Web Analytics Made Easy - Statcounter
1985 Suzuki Quadrunner 250 Wiring – Restore Your ATV Like a Pro! 98 suzuki 250quadrunner 4x4

1985 Suzuki Quadrunner 250 Wiring – Restore Your ATV Like a Pro! 98 suzuki 250quadrunner 4x4

suzuki atv 1998 oem parts diagram for wiring harness

If you are searching about Suzuki ATV 1998 OEM Parts Diagram for WIRING HARNESS | Partzilla.com you've came to the right place. We have 25 Pictures about Suzuki ATV 1998 OEM Parts Diagram for WIRING HARNESS | Partzilla.com like Suzuki ATV 1985 OEM Parts Diagram for WIRING HARNESS | Partzilla.com, quadrunner 250 rebuild problems | Suzuki ATV Forum and also Suzuki QuadRunner 250 LT-F250 LTF250 250F ATV All Terrain Vehicle. Read more:

Suzuki ATV 1998 OEM Parts Diagram For WIRING HARNESS | Partzilla.com

Suzuki ATV 1998 OEM Parts Diagram for WIRING HARNESS | Partzilla.com www.partzilla.com

Suzuki ATV 1998 OEM Parts Diagram for WIRING HARNESS | Partzilla.com

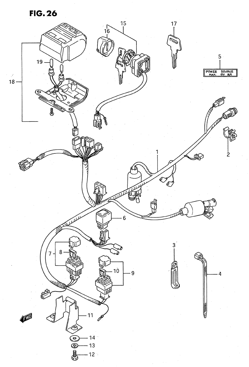
Suzuki ATV 1985 OEM Parts Diagram For WIRING HARNESS | Partzilla.com

Suzuki ATV 1985 OEM Parts Diagram for WIRING HARNESS | Partzilla.com www.partzilla.com

Suzuki ATV 1985 OEM Parts Diagram for WIRING HARNESS | Partzilla.com

98 Suzuki 250quadrunner 4x4 | Suzuki ATV Forum

98 suzuki 250quadrunner 4x4 | Suzuki ATV Forum www.suzukiatvforums.com

98 suzuki 250quadrunner 4x4 | Suzuki ATV Forum

Suzuki 250 Quadrunner Wiring Diagram

Suzuki 250 Quadrunner Wiring Diagram wiringfixaxiology.z19.web.core.windows.net

Suzuki 250 Quadrunner Wiring Diagram

1974 Suzuki Ts250 Wiring Diagram » Diagram Board

1974 Suzuki Ts250 Wiring Diagram » Diagram Board www.diagramboard.com

1974 Suzuki Ts250 Wiring Diagram » Diagram Board

Suzuki ATV 1985 OEM Parts Diagram For WIRING HARNESS | Partzilla.com

Suzuki ATV 1985 OEM Parts Diagram for WIRING HARNESS | Partzilla.com www.partzilla.com

Suzuki ATV 1985 OEM Parts Diagram for WIRING HARNESS | Partzilla.com

Quadrunner 250 No Electrical Power | Suzuki ATV Forum

Quadrunner 250 no electrical power | Suzuki ATV Forum www.suzukiatvforums.com

Quadrunner 250 no electrical power | Suzuki ATV Forum

Suzuki Quadrunner 250 Wiring Diagram 1988 Suzuki Lt F250 Wiring Diagram

Suzuki Quadrunner 250 Wiring Diagram 1988 Suzuki Lt F250 Wiring Diagram www.autocardesign.org

Suzuki Quadrunner 250 Wiring Diagram 1988 Suzuki Lt F250 Wiring Diagram ...

2000 Quadrunner 250 OEM Fan Installation | Suzuki ATV Forum

2000 Quadrunner 250 OEM Fan Installation | Suzuki ATV Forum www.suzukiatvforums.com

2000 Quadrunner 250 OEM Fan Installation | Suzuki ATV Forum

Suzuki QuadRunner 250 LT-F250 LTF250 250F ATV All Terrain Vehicle

Suzuki QuadRunner 250 LT-F250 LTF250 250F ATV All Terrain Vehicle www.emanualonline.com

Suzuki QuadRunner 250 LT-F250 LTF250 250F ATV All Terrain Vehicle ...

Quadrunner 250 Rebuild Problems | Suzuki ATV Forum

quadrunner 250 rebuild problems | Suzuki ATV Forum www.suzukiatvforums.com

quadrunner 250 rebuild problems | Suzuki ATV Forum

1987 Suzuki Quadrunner 250 Wiring Diagram - Wiring Diagram Pictures

1987 Suzuki Quadrunner 250 Wiring Diagram - Wiring Diagram Pictures schematron.org

1987 Suzuki Quadrunner 250 Wiring Diagram - Wiring Diagram Pictures

Used 1995 Suzuki ATV And Motorcycle Wiring Diagrams Book

Used 1995 Suzuki ATV and Motorcycle Wiring Diagrams Book www.repairmanual.com

Used 1995 Suzuki ATV and Motorcycle Wiring Diagrams Book

Awasome Suzuki Quadrunner 250 Wiring Diagram (Model Schematics) Ideas

Awasome Suzuki Quadrunner 250 Wiring Diagram (Model Schematics) Ideas wiring-schemas.pages.dev

Awasome Suzuki Quadrunner 250 Wiring Diagram (Model Schematics) Ideas

1987 Suzuki Quadrunner 250 Wiring Diagram

1987 Suzuki Quadrunner 250 Wiring Diagram diagramweb.net

1987 Suzuki Quadrunner 250 Wiring Diagram

Suzuki Quadrunner 250 Wiring Diagram Database

Suzuki Quadrunner 250 Wiring Diagram Database www.got2bwireless.com

Suzuki Quadrunner 250 Wiring Diagram Database

1996 Suzuki QuadRunner 250 LT-4WD Wiring - Suzuki ATV Forum - QUADCRAZY

1996 Suzuki QuadRunner 250 LT-4WD Wiring - Suzuki ATV Forum - QUADCRAZY www.quadcrazy.com

1996 Suzuki QuadRunner 250 LT-4WD Wiring - Suzuki ATV Forum - QUADCRAZY ...

1988 Suzuki Quadrunner 250 Intermittent Spark - Suzuki ATV Forum

1988 Suzuki Quadrunner 250 intermittent spark - Suzuki ATV Forum www.quadcrazy.com

1988 Suzuki Quadrunner 250 intermittent spark - Suzuki ATV Forum ...

Wiring Harness For Suzuki QUADRUNNER 250 1985 - Suzuki

Wiring harness for Suzuki QUADRUNNER 250 1985 - Suzuki www.bike-parts-suz.com

Wiring harness for Suzuki QUADRUNNER 250 1985 - Suzuki

Anyone Know The Wiring For The Suzuki Quadrunner 250 Stator? : R/ATV

Anyone know the wiring for the Suzuki quadrunner 250 stator? : r/ATV www.reddit.com

Anyone know the wiring for the Suzuki quadrunner 250 stator? : r/ATV

Suzuki ATV 1985 OEM Parts Diagram For ELECTRICAL | Partzilla.com

Suzuki ATV 1985 OEM Parts Diagram for ELECTRICAL | Partzilla.com www.partzilla.com

Suzuki ATV 1985 OEM Parts Diagram for ELECTRICAL | Partzilla.com

Suzuki ATV 1985 OEM Parts Diagram For ELECTRICAL | Partzilla.com

Suzuki ATV 1985 OEM Parts Diagram for ELECTRICAL | Partzilla.com www.partzilla.com

Suzuki ATV 1985 OEM Parts Diagram for ELECTRICAL | Partzilla.com

Awasome Suzuki Quadrunner 250 Wiring Diagram (Model Schematics) Ideas

Awasome Suzuki Quadrunner 250 Wiring Diagram (Model Schematics) Ideas wiring-schemas.pages.dev

Awasome Suzuki Quadrunner 250 Wiring Diagram (Model Schematics) Ideas

1987 Suzuki Quadrunner 250 Wiring Diagram

1987 Suzuki Quadrunner 250 Wiring Diagram diagramweb.net

1987 Suzuki Quadrunner 250 Wiring Diagram

1985 Suzuki Quadrunner 250 Transmission Problem - Suzuki ATV Forum

1985 suzuki quadrunner 250 Transmission Problem - Suzuki ATV Forum www.quadcrazy.com

1985 suzuki quadrunner 250 Transmission Problem - Suzuki ATV Forum ...

98 suzuki 250quadrunner 4x4. 1988 suzuki quadrunner 250 intermittent spark. Anyone know the wiring for the suzuki quadrunner 250 stator? : r/atv